道系头像图音响技术
音响玩家日产尼桑音响升级美国storm斯道姆音响系统日产日韩车型改装区欧卡汽车改装论坛
音响玩家体验声音之美别克凯越音响改装美国storm斯道姆顶级汽车音响别克美系车型改装区欧卡汽车改装论坛
高保真调频调谐器
让高保真音效体验变得更亲民kef推出搭载mat技术的q系列
漫步者r501t045.1声道多媒体音箱黑色音箱产品图片1
首页福州鸿业影音数码科技有限责任公司主营voiceking专业音响系
春节假期欢乐多春节影音器材推荐
徐州乐道大众cc汽车音响改装flux拒绝孤寂
武汉本田冠道二次音响改装倒模升级意大利ati极致两分频
2000元内适合女生购入的音响
麦博microlab玄道x6hifi2.0高保真多媒体音箱电视音响
swan惠威
让高保真音效体验变得更亲民kef推出搭载mat技术的q系列
鸿粤田冠道的这些配置很安利,我收了
网络114
先科天韵11号12寸拉杆音箱广场舞音响户外便携式插卡扩音器带无线麦克风音箱产品图片5素材it168音箱图片大全
索尼ssna5es书架式扬声器音响音箱音箱产品图片2素材it168音箱图片大全
极致声音展示金河田音箱d012我的最爱
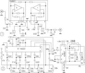
四声道音箱技术的系统分析
网络114
声明:本站所有文章资源内容,如无特殊说明或标注,均为采集网络资源。如若本站内容侵犯了原著者的合法权益,可联系本站删除。





